- [產品]-->運動控制卡DMC5480
- [產品]-->運動控制卡DMC4420
- [產品]-->運動控制卡DMC4400
您所在的位置:紡機網 >> >> DCM直流伺服電機系列
產品推薦
產品分類
聯系方式
- 聯系人:
- 郵 箱:info@leisai.com
- 地 址:深圳市南山區登良路25號天安南油工業區二棟三樓
- 電 話:0755-26433338(20線)
- 傳 真:0755-26402718
- 網 址:http://www.leisai.com
DCM直流伺服電機系列
發布時間:2012-01-17
.jpg)
主要特點
DCM直流伺服電機系列
特性
* 高性能(高平穩、高精度和低噪音)
* 超低成本,遠低于交流伺服
* 對周邊干擾遠低于交流伺服
* 可選1000線或500線編碼器,定位誤差可小至±1個脈沖
* DCM57xxx的安裝尺寸與57xxx步進電機兼容
概述
DCM系列直流有刷伺服電機采用美國皮特蒙電機集團生產技術,特別適用于對位置和速度控制要求非常精密的行業。目前,此系列有多個型號可供選擇,連續輸出功率50W-120W。
此系列電機與雷賽DCS系列直流伺服驅動器匹配,能為用戶提供高性能、超低成本、精密位置控制的解決方案,廣泛應用于雕刻機、噴繪機、醫療設備、繪圖儀等行業,并以其優良的控制效果被業內許多用戶所接受。
在某些長時間高速運轉或快速起停頻繁的場合,電刷的磨損較為嚴重,因此更換電刷便成為一項負擔。雷賽公司的DCS系列電機上下兩側有外置的電刷更換孔各一個,客戶無須打開電機便可輕松更換電刷。
應用領域
廣泛應用于噴繪、醫療、影像分析、中小型雕刻、電子加工、數控機床、包裝設備、紡織印刷等行業。在用戶期望振動極小、超低噪音、高精度和高速度的設備中使用,效果尤佳。
DCM系列直流有刷伺服電機命名規則
.jpg)
DCM直流伺服電機電氣參數
.jpg)
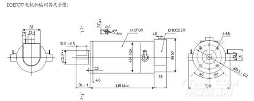
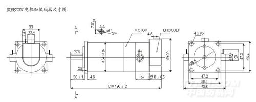
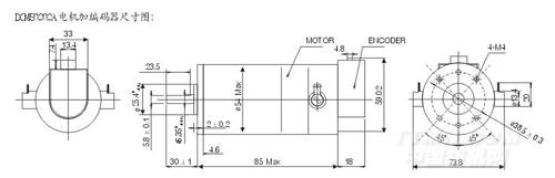
機械安裝尺寸
.jpg)
.jpg)
.jpg)
.jpg)
.jpg)
.jpg)
編碼器配置與指標
DCM電機編碼器可選500線或1000線,其中:DCM5xxxx型號帶1000線編碼器,DCM5xxxx-500型號帶500線編碼器。
1000線編碼器不帶E信號,500線編碼器帶有A、B、Z三種信號。
編碼器單端接線端子
.jpg)
編碼器差分端接線端子
.jpg)
訂貨型號
DCM50xxx為螺栓連接的帶1000線編碼器的電機,如DCM50207
DCM50xxx-500為螺栓連接的帶500線編碼器的電機,如DCM50207-500
DCM57xxx為法蘭連接的帶1000線編碼器的電機,如DCM57202、DCM57205
DCM57xxx-500為法蘭連接的帶500線編碼器的電機,如DCM57202-500、DCM57205-500






