公司名稱:鄭州紡織機械股份有限公司
.gif)
商品描述:
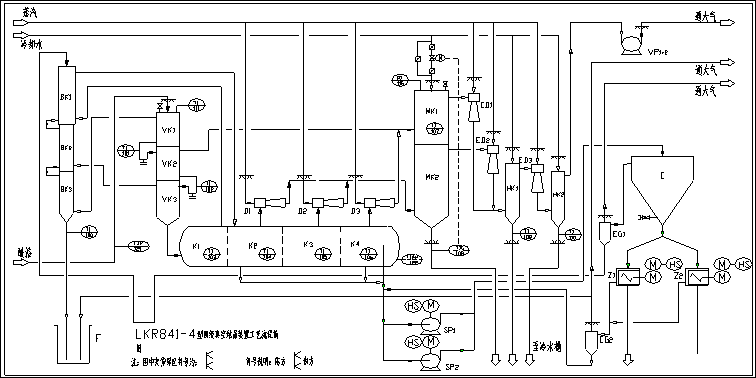
1、產品用途
本裝置在粘膠纖維生產過程中通過降低酸浴的溫度和溶解度, 從而使紡絲時由化學反應生成的Na2SO4結晶析出并進行分離,以保持酸浴在循環中的平衡。
2、主要工藝參數
名稱酸 浴母 液芒硝(Na2SO4.10H20)
處理量(t /h)21.615.6≤4(冷卻水溫≤25℃)
溫 度 (℃ )504015~18
比 重(t / m3)1.351.301.46
組
成 Na2SO4 (g / l)390
H2SO4 (g / l)118
ZnSO4 (g / l)11
3、公用工程參考指標
蒸汽:
壓力: 0.15 MPa(絕對壓力)
溫度: 110 ℃
消耗量: 2100 kg / h
冷卻水:
進口溫度: ≤ 25℃
消耗量: 280~380 m3/ h
裝機功率: 52kW
整套設備約重: 約40 t
通訊地址:河南省鄭州市南陽路290號
郵編:450053
電話:0371-63585788
郵箱:E-mail:office@zzfj.com
網址:www.zzfj.com